
产品介绍:
CherryMaxibolt®盲螺栓系统有合金钢和A-286 CRES材料。 符合MS90353 / MS90354和MS21140 / MS21141,符合MIL-F-81177和MIL-F-8975的要求,并列在QPL81177和QPL8975中。 Maxibolts主要用于需要较高负载的结构。 钢版本为112 KSI剪切。 A286版本为95 KSI剪切。
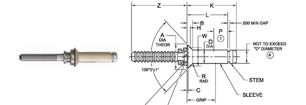
尺寸规格:
| 直径编号 | A | B | C | D | H | P | R | W | Z | 孔的限制 | 安装强度 | ||
| 双行动 | 单行动 | 单剪最小(磅) | 最小拉伸(磅) | ||||||||||
| ‐05 | S05 | .334 | .066 | .011 | .179 | .260 .171 |
.215 | .010 | .2832 .283 |
.844 | .183 .180 |
1980 | 1150 |
| ‐06 | S06 | .386 | .074 | .013 | .214 | .243 .25 |
.250 | .015 | .3272 .327 |
.875 | .218 .215 |
2925 | 1690 |
| / | ‐8 | .507 | .099 | .017 | .275 | .310 .270 |
.305 | .020 | .432 .4318 |
1.000 | .279 .276 |
5000 | 2900 |
| / | ‐10 | .634 | .131 | .020 | .327 | .367 .325 |
.350 | .025 | .5451 .5449 |
1.218 | .331 .328 |
7200 | 4170 |
| / | ‐12 | .762 | .159 | .023 | .389 | .428 .380 |
.405 | .030 | .6582 .658 |
1.562 | .393 .390 |
1380 | 5970 |
| 直径编号 | 控制范围1 / 16 | ‐05 直径 | ‐06 直径 | ‐08 直径 | ‐10 直径 | ‐12 直径 | ||||||
| 最小 | 最大 | L | K | L | K | L | K | L | K | L | K | |
| ‐02 | ⑤ | .157 | .280 | .434 | .303 | .479 | / | / | / | / | / | / |
| ‐03 | .156 | .220 | .342 | .496 | .365 | .541 | .406 | .616 | / | / | / | / |
| ‐04 | .219 | .282 | .405 | .559 | .428 | .604 | .469 | .678 | .506 | .743 | .548 | .820 |
| ‐05 | .281 | .345 | .467 | .622 | .490 | .666 | .531 | .740 | .568 | .805 | .610 | .883 |
| ‐06 | .344 | .407 | .530 | .684 | .553 | .729 | .594 | .803 | .631 | .868 | .673 | .945 |
| ‐07 | .406 | .470 | .592 | .746 | .615 | .791 | .656 | .866 | .693 | .930 | .735 | 1.007 |
| ‐08 | .469 | .532 | .655 | .809 | .678 | .854 | .719 | .928 | .756 | .993 | .798 | 1.070 |
| ‐09 | .531 | .595 | .717 | .872 | .740 | .916 | .781 | .990 | .818 | 1.055 | .860 | 1.133 |
| ‐10 | .594 | .657 | .780 | .934 | .803 | .979 | .844 | 1.053 | .881 | 1.118 | .923 | 1.195 |
| ‐11 | .656 | .720 | .842 | .996 | .865 | 1.041 | .906 | 1.116 | .943 | 1.180 | .985 | 1.257 |
| ‐12 | .719 | .782 | .905 | 1.059 | .928 | 1.104 | .969 | 1.178 | 1.006 | 1.243 | 1.048 | 1.320 |
| ‐13 | .781 | .845 | .967 | 1.122 | .990 | 1.166 | 1.031 | 1.240 | 1.068 | 1.305 | 1.110 | 1.383 |
| ‐14 | .844 | .907 | 1.030 | 1.184 | 1.053 | 1.229 | 1.094 | 1.303 | 1.131 | 1.368 | 1.173 | 1.445 |
| ‐15 | .906 | .970 | 1.092 | 1.246 | 1.115 | 1.291 | 1.156 | 1.366 | 1.193 | 1.430 | 1.235 | 1.507 |
| ‐16 | .969 | 1.032 | / | / | 1.178 | 1.354 | 1.219 | 1.428 | 1.256 | 1.493 | 1.298 | 1.570 |