
产品介绍:
cherrylock®铆钉锁定主轴冲洗与范围广泛的尺寸压结构,材料强度等级。这种紧固件特别适用于要求优良的薄板卷绕的密封件和接头。
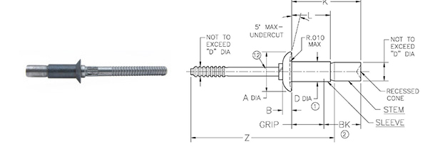
尺寸规格:
| 编号 | A | B | D | Z 参考 | 孔的限制 | |||
| A | B | C | 最小 | 最大 | ||||
| -4 | .238‐.262 | .054 | .125 | 1.79 | / | / | 0.129 | 0.132 |
| -5 | .296‐.328 | .067 | .156 | 1.81 | 2.06 | / | 0.16 | 0.164 |
| -6 | .356‐.394 | .080 | .187 | 1.85 | 2.10 | / | 0.192 | 0.196 |
| -8 | .475‐.525 | .107 | .250 | 1.97 | 2.22 | 2.47 | 0.256 | 0.261 |
| 编号 | GRIP 范围 | 铆钉 组 |
‐4 直径 | ‐5 直径 | ‐6 直径 | ‐8 直径 | |||||||||
| 最小 | 最大 | L | K | BK | L | K | BK | L | K | BK | L | K | BK | ||
| -1 | ⑤ | .062 | A | .198 | .39 | .30 | .201 | .38 | .28 | .225 | .44 | .27 | / | / | / |
| -2 | .063 | .125 | .260 | .51 | .35 | .263 | .49 | .34 | .287 | .55 | .32 | .323 | .57 | 0.37 | |
| -3 | .126 | .187 | .323 | .63 | .41 | .326 | .61 | .39 | .350 | .67 | .37 | .385 | .69 | 0.43 | |
| -4 | .188 | .250 | .385 | .75 | .46 | .388 | .73 | .45 | .412 | .79 | .43 | .448 | .81 | 0.48 | |
| -5 | .251 | .312 | .448 | .87 | .52 | .451 | .85 | .50 | .475 | .91 | .48 | .510 | .93 | 0.54 | |
| -6 | .313 | .375 | .510 | .98 | .57 | .513 | .97 | .56 | .537 | 1.03 | .54 | .573 | 1.04 | .60 | |
| -7 | .376 | .437 | .573 | 1.11 | .63 | .576 | 1.09 | .62 | .600 | 1.15 | .60 | .635 | 1.16 | .65 | |
| -8 | .438 | .500 | .635 | 1.23 | .69 | .638 | 1.20 | .67 | .662 | 1.27 | .65 | .698 | 1.28 | .71 | |
| -9 | .501 | .562 | B | / | / | / | .701 | 1.38 | .78 | .725 | 1.44 | .76 | .760 | 1.46 | .82 |
| -10 | .563 | .625 | / | / | / | .763 | 1.50 | .84 | .787 | 1.56 | .82 | .823 | 1.58 | .88 | |
| -11 | .626 | .687 | / | / | / | / | / | / | .850 | 1.68 | .88 | .885 | 1.70 | .94 | |
| -12 | .688 | .750 | / | / | / | / | / | / | .912 | 1.81 | .94 | .948 | 1.83 | 1.00 | |
| -13 | .751 | .812 | / | / | / | / | / | / | .948 | 1.94 | .99 | 1.010 | 1.95 | 1.06 | |
| -14 | .813 | .875 | C | / | / | / | / | / | / | / | / | / | 1.073 | 2.07 | 1.12 |